- 產品介紹
BXK系列防爆控制箱型號規格含義:
BXK系列防爆控制箱適用范圍:
1、適用于爆炸性氣體環境1區、2區場所。
2、爆炸性氣體環境:IIA、IIB、IIC類。
3、適用于可燃性粉塵環境 21區、22區場所。
4、適用于T1~T4(T6)組溫度組別;
5、廣泛用于石油開采、煉油、化工、海洋石油平臺、油輪等易燃易爆氣體環境,也用于軍工、金屬加工等可燃性粉塵場所。
BXK系列防爆控制箱特點:
1、本系列產品防爆型式有多種:隔爆型、復合型(隔爆型主腔、增安型接線腔)、粉塵防爆型;
2、內裝元件多種多樣:按鈕、指示燈、電表、控制開關、小型斷路器、塑殼斷路器、交流接觸器、測量儀表、PLC及用戶提供其它儀器儀表等;
3、殼體尺寸具有多種多樣,可滿足用戶不同安裝空間要求,同時可根據用戶要求進行 殼體組合拼接;
4、殼體材質有鋁合金、鋼板焊接等,也可根據用戶需要采用不銹鋼材質。
BXK系列防爆控制箱
BXK系列防爆控制箱技術參數:
■執行標準:GB3836.1 、GB3836.2、GB3836.3、GB12476.1、GB12476.5、IEC60079-0、IEC60079-1、IEC60079-7、IEC61241-0、IEC61241-1、EN60079-0、EN60079-1、EN60079-7、EN61241-0、EN61241-1
■ 防爆標志: Exde IIB T6 Gb/Exde IIB T4 Gb/Ex tD A21 IP65 T80℃ Exde IIC T6 Gb
Exde IIC T4 Gb Ex tD A21 IP65 T80℃ Exde IIC T6 Gb Ex tD A21 IP65 T80℃
■ 額定電壓:220V/380V
■ 額定電流:≤63A ≤400A ≤63A ≤250A ≤10A
■ 防護等級:IP54 IP65 IP55 IP65 IP65
■ 防腐等級: WF1 *WF2
■外殼材質:鋁合金、碳鋼或不銹鋼
■使用類別:AC-3、 AC-4、 AC-15、 DC-13
■內裝元件:根據用戶要求提供
■進線口螺紋:根據用戶要求提供
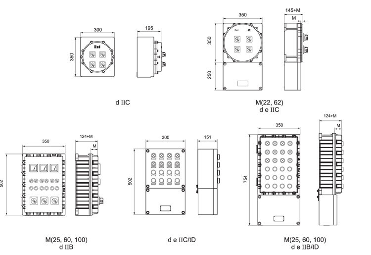
BXK系列防爆控制箱殼體外形尺寸舉例 :
南陽盛通防爆電機電器有限公司作為一家專業科研與開發、制造、銷售防爆控制箱廠家, 防爆產品通過國家防爆電氣產品質量監督檢驗中心認證,如您需要購買防爆控制箱或者了解防爆控制箱價格,請來電咨詢 。
其它說明:
●以上產品涉及設計參數及數據請以機身銘牌為準,恕不另行通知
●產品圖片與實物可能會有輕微差別,請以實物為準
●其他詳情請參閱本產品使用手冊
●本公司保留以上宣傳數據的解釋權利。
- 上一篇:張北BXK54系列防爆防腐控制箱
- 下一篇:張北BLK52系列防爆斷路器










